| Sign In | Join Free | My tjskl.org.cn |
|
Brand Name : thundsea
Model Number : FCTL330ZA
Place of Origin : China
MOQ : one set
Payment Terms : L/C, T/T
Supply Ability : 30 set per month
Delivery Time : 15 days
Packaging Details : carton box
Certification : CCS
Weight : ≤2200g
Detector : MCT 640 ×512
Focal length : 15 ㎜~300 ㎜ continuous zoom
Control communication : RS232
Spectral range : 3.7 ~4.8μm
Frame Frequency : 50Hz
Image turning : Horizontal/vertical
Electronic Zoom : ×2/×4 electronic zoom
15-300mm F4 continuous zoom Medium Wave Refrigeration Thermal Imaging Camera System
15-300mm F4 Thermal Imaging System Specification is an
advanced MWIR cooled thermal imaging used for long-distance detection.
The highly sensitive MWIR cooled core with 640x512 resolution can
produce very clear image with very high resolution; the 15mm~300mm
continuous zoom infrared lens used in the product can effectively
distinguish targets such as people, vehicles and ships in long distance.

Figure1 Thermal imaging image
1 Technical Specification
1.1 Detector
Detector MCT 640 ×512
Spectral range 3.7 ~4.8μm
Pixel pitch 15μm
Cooling method Stirling Refrigerator
1.2 Lens
Focal length 15 ㎜~300 ㎜ continuous zoom
F 4
1.3 Performance
FOV range 1.83°(H) ×1.46°(V)to 36.5°(H) ×29.2°(V)
Cooling time ≤8 minutes in normal temperature
Video Output standard PAL format analog video signal
Frame Frequency 50Hz
NETD ≤25mk@25℃
Power source DC 24 ~32 V, with power reverse polarity
protection
Power consumption ≤15W@25℃, steady state
≤30W@25℃, start-up peak
Operation Temperature -30℃~55℃
Storage Temperature -40℃~70℃
1.4 Command and Control
Control communication RS232
Correction manual correction/background correction
Polarity control white hot/black hot switch
Electronic Zoom ×2/×4 electronic zoom
Image enhancement Yes
Cross display Yes
Image turning Horizontal/vertical
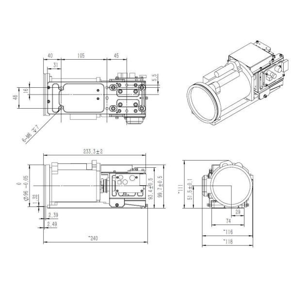
2 Physical Parameters
Weight ≤2200g
Sizes see below
Figure2. Mechanical size illustration
3 Core Electrical Interface Definition
Table 1. Connector (HARWIN:M80-5401605) pin definitions


Figure3. M80-5401605 pin sequence diagram



|
|
15-300mm F4 continuous zoom Medium Wave Refrigeration Thermal Imaging Camera System Images |